首页
关于航天
关于航天
公司简介
企业文化
公司面貌
资质荣誉
产品中心
产品中心
光通信器件
连接器系列
圆形、矩形
新闻中心
新闻中心
企业新闻
行业资讯
常见问题
服务支持
选型手册
选型手册
连接器选型
光模块选型
联系我们
联系我们
联系方式
在线留言
我最近的搜索字词
主菜单
关于航天
公司简介
企业文化
公司面貌
资质荣誉
产品中心
光通信器件
连接器系列
圆形、矩形
新闻中心
企业新闻
行业资讯
常见问题
服务支持
选型手册
连接器选型
光模块选型
联系我们
联系方式
在线留言
不断追求创新
打造现代化企业
首页
产品中心
圆形、矩形
光通信器件
连接器系列
圆形、矩形
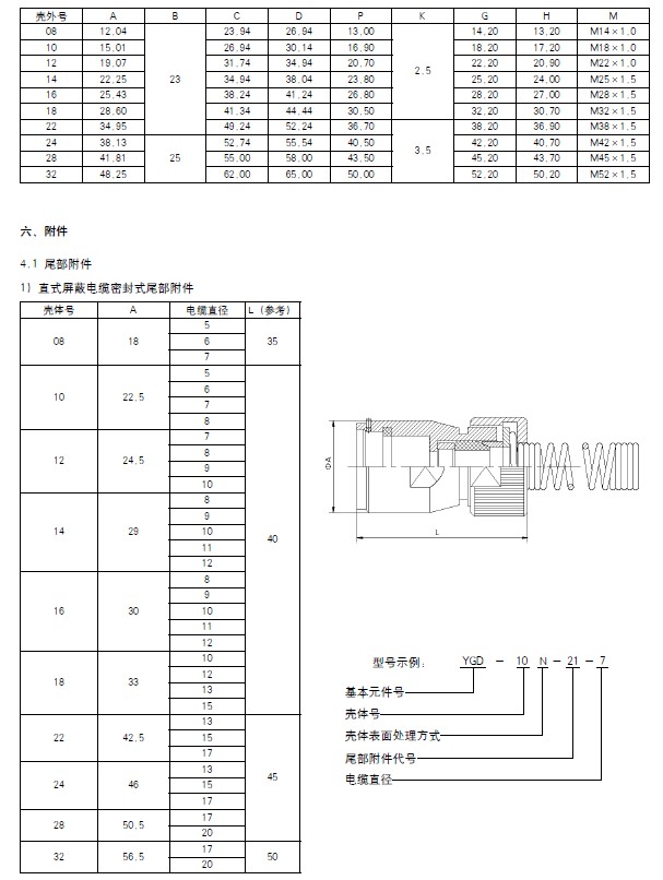
32.YGD系列圆形电连接器
时间:2021-12-21
点击量:241
上一篇:
44.XCM系列圆形电连接器
下一篇:
50.YM系列附件(适用于YM各系列)
返回
相关产品
CJ10
YQ2
Y27
599-2